I-PEX MHF接口三代表貼式焊接PCB板
料號:1.2
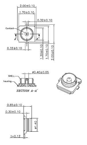
尺寸:L2.00*W2.00*H0.85 mm
標簽:RF連接器,IPEX三代,接PCB板
產品特征:
產品規格
| 產品規格 | |
| 頻率范圍 | DC-6GHz |
| 絕緣阻抗 | ≧ 500MΩ |
| 額定電壓 | 60V AC(rms) |
| 額定電流 | 0.5A AC |
| 耐電壓 | 1000V AC |
| 工作溫度 | -30°C to +70°C |
產品圖紙

包裝與運輸
| 發貨地 | 廣東省東莞 |
| 付款方式 | 銀行匯款 |
| 常規交貨期 | 7-10天 |
| 運輸方式 | 快遞/物流 |
| 包裝方式 | 吸塑盒+紙箱/ PE袋+紙箱 |
| 箱規 | 39.5*24.5*19.5cm 49.5*24.5*19.5cm 47*41*21cm 34*34*30cm |



